第2種電気工事士 過去問+解説 学科試験(筆記方式)令和7年度(2025年度)下期試験 第39問

まずは初めに結論を。一口で言うと。まとめ。要旨。

 第39問は、おなじみ「電路と大地間の絶縁抵抗」の問題です。毎年毎回、ほぼ出る論点です。表の数字さえ暗記すれば、文系ド素人でも取れるので、必ず、取れるように、暗記してください。

第39問‐電路と大地間の絶縁抵抗

 

 (クリックして拡大。)

 本問のレベルは「ふつう」です。

 問題の言う「図記号」は、以下の画像のところです。

 

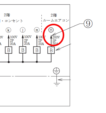
 配線図の資料(全体像)は、「こちら」です。

 本問の答えは、「こちら(記号のみ)」です。

解説

 上記部分の絶縁抵抗を問う問題です。

 ぶちゃけ、下の「表」さえ憶えていれば解けます。

 

 ガチ暗記しましょう!

解答

 

 設問の指示するところを、引き込み線までたどってみると、当該電路は、上記の図のごとく、「単相3線式 100/200V」なことがわかります。

 んで、先の表の「単相3線式 100/200V」のところを調べると、「絶縁抵抗値・・・0.1MΩ以上」であることがわかります。

 よって、答えは、「イ」の「0.1」となります。

答え

 正解:イ

 …と相なります。

 >>> 次の問題へ。


学科過去問リスト

 第1問から第30問までは、「一般問題」です。

 第31問から第50問までは、「配線図」です。

一般問題

 1問:合成抵抗・・・「ふつう」。

 2問:公式問題・・・「ふつう」。

 3問:電力量計算・・・「ふつう」。

 4問:正弦波交流回路・・・「ふつう」

 5問:Y(スター)結線・・・「ふつう」。

 6問:三相3線式回路の断線・・・「ふつう」。

 7問:単相3線式回路の電圧・・・「ふつう」。

 8問:許容電力計算・・・「ふつう」。

 9問:過電流遮断機の定格電流・・・「ふつう」。

 10問:分岐回路・・・「ふつう」。

 11問:金属線ぴ工事・・・「ふつう」。

 12問:最高許容温度・・・「ふつう」。

 13問:ねじなし電線管の曲げ加工・・・「ふつう」。

 14問:スターデルタ始動・・・「ふつう」。

 15問:小出力太陽光発電設備・・・「ふつう」。

 16問:材料写真鑑別・・・「ふつう」。

 17問:器具写真鑑別・・・「ふつう」。

 18問:工具写真鑑別・・・「ふつう」。

 19問:リングスリーブ・・・「ふつう」。

 20問:工事種類・・・「ふつう」。

 21問:三相電動機回路の施工方法・・・「ふつう」。

 22問:D種接地工事・・・「ふつう」。

 23問:電磁的不平衡・・・「ふつう」。

 24問:検査・・・「ふつう」。

 25問:クランプ形漏れ電流計・・・「ふつう」。

 26問:接地抵抗計・・・「ふつう」。

 27問:計器記号・・・「ふつう」。

 28問:電気の保安に関する法令・・・「ふつう」。取る。

 29問:電気用品安全法・・・「ふつう」。取る。

 30問:電気設備に関する技術基準を定める省令・・・「ふつう」。取る。

配線図

 31問:配線図記号・・・「ふつう」。

 32問:コンセント図記号・・・「ふつう」。

 33問:小勢力回路・・・「ふつう」。

 34問:電線管図記号・・・「ふつう」。

 35問:図記号・・・「ふつう」。

 36問:材料図記号・・・「ふつう」。

 37問:最少電線本数・・・「ふつう」。

 38問:点滅器図記号・・・「ふつう」。

 39問:電路と大地間の絶縁抵抗・・・「ふつう」。

 40問:接地工事の種類・・・「ふつう」。

 41問:差込形コネクタ・・・「ふつう」。

 42問:図記号写真鑑別・・・「ふつう」。

 43問:コンセント図記号写真鑑別・・・「ふつう」。

 44問:器具図記号写真鑑別・・・「ふつう」。

 45問:ケーブル当て・・・「ふつう」。

 46問:リングスリーブと刻印・・・「ふつう」。

 47問:リングスリーブ当て・・・「ふつう」。

 48問:未使用スイッチ・・・「ふつう」。

 49問:未使用工具当て・・・「ふつう」。

 50問:未使用材料当て・・・「ふつう」。

第2種電気工事士 合格の生命線‐独学向け教材

 

 憶えられない、点数が伸びない、よく間違える、実力が付かない、何やってんのかわからないという人は、教材を見直してみてください。

 独学向けの良質な教材を使うことこそ、独学合格の“肝”です。

 教材の詳細は「筆記試験の教材」と「技能試験の教材」に述べてますが、読むのがメンドクサイ人は…、

 筆記用のテキストは、絵が多くて漢字の少ない「 ぜんぶ絵で見て覚える第2種電気工事士筆記試験すいーっと合格(2026年版) 」を、

 筆記用の過去問には、コンパクトで持ち運びやすい「 すい~っと合格赤のハンディ ぜんぶ解くべし!第2種電気工事士 筆記過去問2026 」を使います。

 技能のテキストは、写真の多い「 ぜんぶ絵で見て覚える第2種電気工事士 技能試験すい~っと合格2026年版 」を…、

 技能の工具は、定番メーカー:HOZANの「ホーザン(HOZAN) 基本工具 DK-28 」を…、

 技能の材料には、工具と同じメーカーの「ホーザン(HOZAN) DK-52 2回セット」を使います。

 (教材には「年度」対応があるので、必ず、自分の受ける年になっているか、確認してください。

 (「技能教材よくある質問(何回分がいいの?等)」も、参考にしてください。)

第2種電気工事士 技能 独学 補助教材

 第2種電気工事士 技能試験の独学は、ケーブル等の教材と工具、そして、テキストがあれば間に合います。

 とはいえ、独学に「あると便利」なものが多々あります。まさに独学向けというものなので、参考にしてください。

 高評価だったのは、「ホーザン(HOZAN) 合格配線チェッカー Z-222」です。

 利用者曰く、「回路的に正しいという自信が付く。使えない問題もあったが、最も役に立った。」とのことです。

 独学だと、候補問題を作っても、答え合わせに一苦労します。

 わたしも、受験生当時に(これで合ってるの?)と、お手本のテキストとにらめっこした記憶があります。往時にあったらとても便利だったと思います。

 独学で一抹の不安のある方は、使ってみてください。

 次は、「ホーザン(HOZAN) 合格マルチツール DK-200」です。

 多用途、時短になる、ウォータレンチプライヤの代わりにもなる、と高評価です。

 これは、独学に関係なく、有用かと思います。

 さて、独学では役には立つも、“すごくではない”というのが…、

 ・ホーザン(HOZAN) 合格クリップ P-926

 ・ホーザン(HOZAN) 合格ゲージ P-925 P-956/P-957/P-958用

 …です。

 クリップの方は、ホーザン教材に入っているもので十分とのこと。ホーザンの教材でない人は、一考するといいでしょう。

 んで、ゲージの方は、外れやすいのでアレ、使わなくなる、とのことです。用途に合いそうなら、考えてみてください。

 なお、セットのもあります。「HOZAN (ホーザン) の合格シリーズ3点セット【 DK-200 合格マルチツール 】【 P-926 合格クリップ 】【 P-925 合格ゲージ 】」です。

 独学の欠点をこれらの補助教材でカバーできます。“絶対”に必要かというとそうではありませんが、「手助け」にはなるので、万全を尽くしたい方は参考にしてみてください。

 教材にお金を惜しんではいけません。

PDF過去問の閲覧

 

 PDFの閲覧は、スマホだと画面が小さくて見難く、PCだとキーボードやマウス、配線等が邪魔で、かなりイライラします。

 本格的な“過去問演習”には、「タブレット」が最も勝手がよく、ストレスが少ないです。

 手許に「タブレット」がない人は、最もコスパの高い、アマゾンの「Fire HD」を推薦します。他のタブレットと性能が遜色ないくせに、値段は数割安く、もちろん、PDF過去問の閲覧も可能で、費用対効果が秀逸です。

 受験が終わっても、危険物や消防設備士等の試験で使えるし、サブ機としても使えます。2電工を機に「Fire HD」を検討するのも、損はないです。

第2種電気工事士のこまごましたもの

 「第2種電気工事士:独学資格ガイド」でも述べていますが、2電工は圧倒的な求人数を誇る優良資格で、人生の保証・保険になる資格です。わたし個人、とって本当に損がなかったと、ひしひし感じています。何か資格でも、とお考えの方は、いの一番に2電工を推薦します。

 先述したように、文系・電気ド素人でも、試験に巨大なハンデはないので、食わず嫌いをせず、挑戦してみてください。

 第2種電気工事士に関するこまごましたことは、ブログにも投稿しています。興味のある方は、「第2種電気工事士:ブログ記事」をばご参考ください。

みんなとシェアする