第2種電気工事士の技能試験・候補問題の複線図の書き方 令和8年度(2026年度)インデックス

まずは初めに結論を。一口で言うと。まとめ。要旨。

 第2種電気工事士 技能試験の候補問題の複線図ページのインデックス。令和8年度(2026年度)試験の候補問題のNo.1~No.13までの複線図の書き方を挙げたページのリンク。各候補問題の解説ページへのリンクもある。主に文系の人、電気工事ド素人の人向けの内容。

第2種電気工事士 技能試験 複線図の書き方

 第2種電気工事士の技能試験では、候補問題の「複線図」を書く必要があります。

 当該複線図ですが、文系の人や電気工事のド素人の方には、最初が本当に取っつきにくいです。

 そこで、「複線図」が初めての人や苦手とする人向けに、複線図を書き方を述べています。

 練習の際の参考にしてください。

複線図 書き方 No.1 位置表示灯の複線図

 「左」が配線図(問題)で、「右」が複線図(答え)です。

   

 書き方の詳細は、「【画像あり】候補問題 No.1の書き方」です。

複線図 書き方 No.2 確認表示灯(常時点灯)

 「左」が配線図(問題)で、「右」が複線図(答え)です。

   

 書き方の詳細は、「【画像あり】候補問題 No.2の書き方」です。

複線図 書き方 No.3 タイムスイッチ(TS)

 「左」が配線図(問題)で、「右」が複線図(答え)です。

   

 書き方の詳細は、「【画像あり】候補問題 No.3の書き方」です。

複線図 書き方 No.4 三相3線式200V

 「左」が配線図(問題)で、「右」が複線図(答え)です。

   

 書き方の詳細は、「【画像あり】候補問題 No.4の書き方」です。

複線図 書き方 No.5 20A 250Vコンセント

 「左」が配線図(問題)で、「右」が複線図(答え)です。

   

 書き方の詳細は、「【画像あり】候補問題 No.5の書き方」です。

複線図 書き方 No.6 3路スイッチ

 「左」が配線図(問題)で、「右」が複線図(答え)です。

   

 書き方の詳細は、「【画像あり】候補問題 No.6の書き方」です。

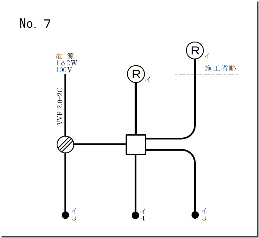
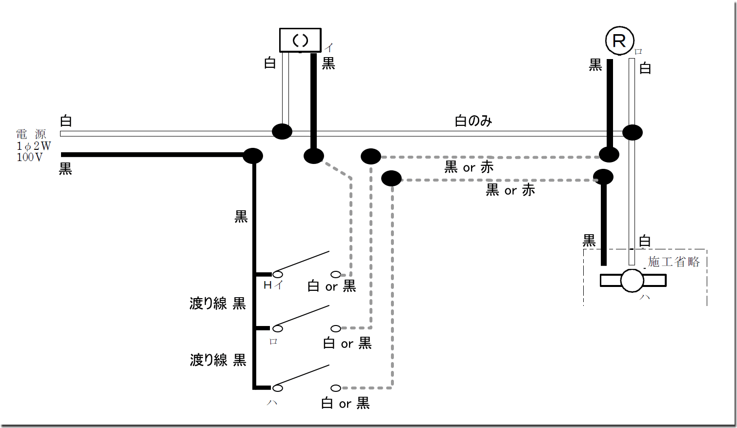
複線図 書き方 No.7 4路スイッチ

 「左」が配線図(問題)で、「右」が複線図(答え)です。

   

 書き方の詳細は、「【画像あり】候補問題 No.7の書き方」です。

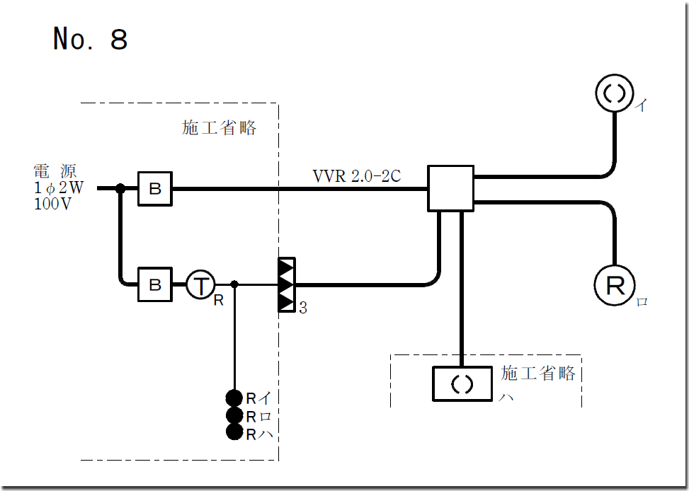
複線図 書き方 No.8 リモコンリレー

 「左」が配線図(問題)で、「右」が複線図(答え)です。

   

 書き方の詳細は、「【画像あり】候補問題 No.8の書き方」です。

複線図 書き方 No.9 EET

 「左」が配線図(問題)で、「右」が複線図(答え)です。

   

 書き方の詳細は、「【画像あり】候補問題 No.9の書き方」です。

複線図 書き方 No.10 確認表示灯(同時点滅)

 「左」が配線図(問題)で、「右」が複線図(答え)です。

   

 書き方の詳細は、「【画像あり】候補問題 No.10の書き方」です。

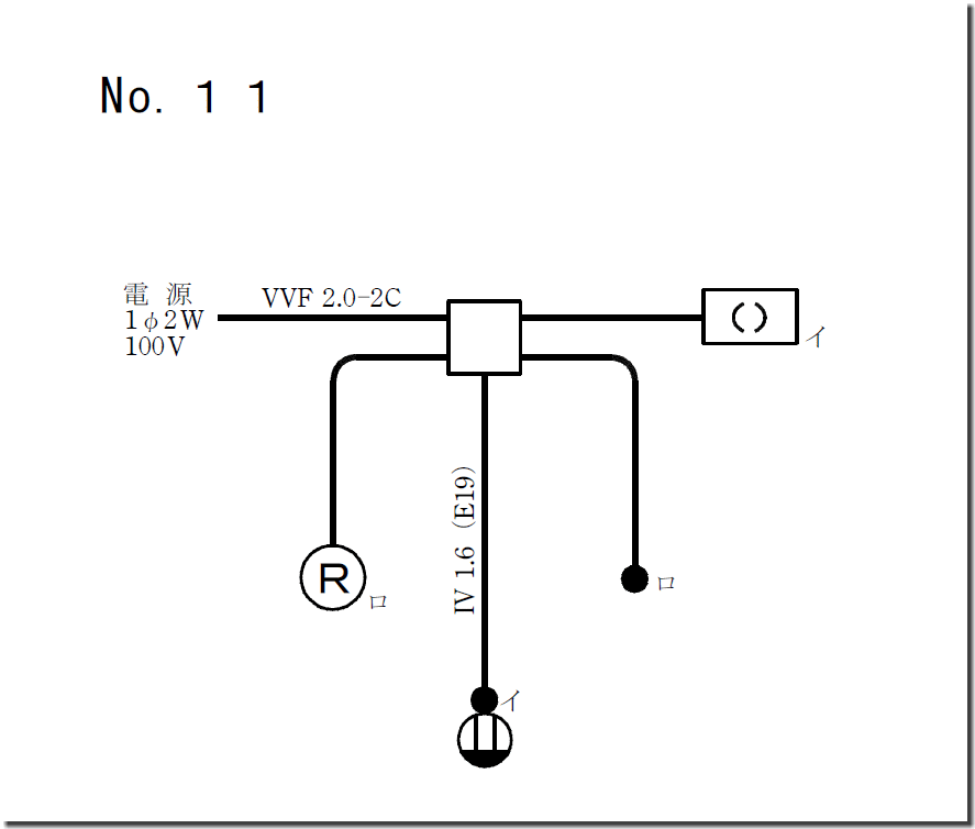
複線図 書き方 No.11 ねじなし管

 「左」が配線図(問題)で、「右」が複線図(答え)です。

   

 書き方の詳細は、「【画像あり】候補問題 No.11の書き方」です。

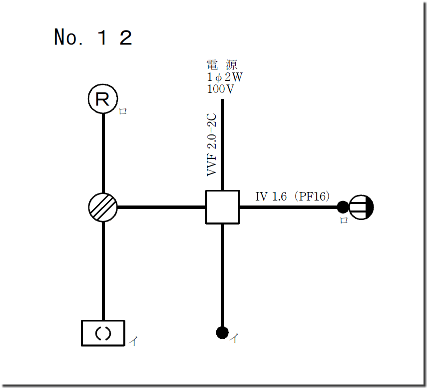
複線図 書き方 No.12 PF管

 「左」が配線図(問題)で、「右」が複線図(答え)です。

   

 書き方の詳細は、「【画像あり】候補問題 No.12の書き方」です。

複線図 書き方 No.13 自動点滅器(A)

 「左」が配線図(問題)で、「右」が複線図(答え)です。

   

 書き方の詳細は、「【画像あり】候補問題 No.13の書き方」です。

第2種電気工事士 技能 独学 補助教材

 第2種電気工事士 技能試験の独学は、ケーブル等の教材と工具、そして、テキストがあれば間に合います。

 参考:第2種電気工事士・技能試験のテキスト・教材・工具

 とはいえ、独学に「あると便利」なものが多々あります。まさに独学向けというものもあるので、参考にしてください。

 高評価だったのは、まず、「ホーザン(HOZAN) 合格配線チェッカー Z-222」です。

 利用者曰く、「回路的に正しいという自信が付く。使えない問題もあったが、最も役に立った。」とのことです。

 独学だと、候補問題を作っても、答え合わせに一苦労します。

 わたしも、受験生当時に(これで合ってるの?)と、お手本のテキストとにらめっこした記憶があります。往時にあったらとても便利だったと思います。

 独学で一抹の不安のある方は、使ってみてください。

 次は、「ホーザン(HOZAN) 合格マルチツール DK-200」です。

 多用途、時短になる、ウォータレンチプライヤの代わりにもなる、と高評価です。

 これは、独学に関係なく、有用かと思います。

 さて、独学では役には立つも、“すごくではない”というのが…、

 ・ホーザン(HOZAN) 合格クリップ P-926

 ・ホーザン(HOZAN) 合格ゲージ P-925 P-956/P-957/P-958用

 …です。

 クリップの方は、ホーザン教材に入っているもので十分とのこと。ホーザンの教材でない人は、一考するといいでしょう。

 んで、ゲージの方は、外れやすいのでアレ、使わなくなる、とのことです。用途に合いそうなら、考えてみてください。

 なお、セットのもあります。「HOZAN (ホーザン) の合格シリーズ3点セット【 DK-200 合格マルチツール 】【 P-926 合格クリップ 】【 P-925 合格ゲージ 】」です。

 独学の欠点をこれらの補助教材でカバーできます。“絶対”に必要かというとそうではありませんが、「手助け」にはなるので、万全を尽くしたい方は参考にしてみてください。

 教材にお金を惜しんではいけません。

 なお、先の補助教材の使用感・レビュー等のある方、よろしければ、「当方のTwitter」や「メール」に、ご一報願います。

 最後に、ASITAKAさん、情報提供ありがとうございました。

PDFや動画の閲覧

 

 PDFや動画の閲覧は、スマホだと画面が小さくて見難く、PCだとキーボードやマウス、配線等が邪魔で、かなりイライラします。

 本格的な“演習”には、「タブレット」が最も勝手がよく、ストレスが少ないです。

 手許に「タブレット」がない人は、最もコスパの高い、アマゾンの「Fire HD」を推薦します。他のタブレットと性能が遜色ないくせに、値段は数割安く、もちろん、PDF過去問の閲覧も可能で、費用対効果が秀逸です。

 受験が終わっても、危険物や消防設備士等の過去問演習で使えるし、サブ機としても使えます。2電工を機に「Fire HD」を検討するのも、損はないです。

第2種電気工事士のこまごましたもの

 「第2種電気工事士:独学資格ガイド」でも述べていますが、2電工は圧倒的な求人数を誇る優良資格で、人生の保証・保険になる資格です。わたし個人、とって本当に損がなかったと、ひしひし感じています。何か資格でも、とお考えの方は、いの一番に2電工を推薦します。

 先述したように、文系・電気ド素人でも、試験に巨大なハンデはないので、食わず嫌いをせず、挑戦してみてください。

 第2種電気工事士に関するこまごましたことは、ブログにも投稿しています。興味のある方は、「第2種電気工事士:ブログ記事」をばご参考ください。

みんなとシェアする