第2種電気工事士の技能試験・候補問題の複線図の書き方 No.5:令和8年度(2026年度)試験

まずは初めに結論を。一口で言うと。まとめ。要旨。

 第2種電気工事士 技能試験の候補問題の複線図の「No.5」の書き方を述べるページ。「No.5」の複線図の書き方を「画像」にして提供する。本問の複線図は、かなりカンタンである。「BE(漏電遮断器)」と「接地端子」は、問題文に指定があるため、それに従うのみ。「B(配線用遮断器)」だけ、気をつければいいが、ここも、基本的なものしかないので、困ることはない。

【共通】第2種電気工事士「複線図」の書き方

 はじめに、第2種電気工事士の「複線図」の書き方ですが、当方では…、

 ①接地側:電灯(負荷)とコンセントをつなぐ。

 ②非接地側:点滅器(スイッチ)とコンセントをつなぐ。

 ③残りをつなぐ。

 …という順序でやっていきます。

 憶え方としては、「デンコ テンコ」です。

 「デンコ」は、「“電”灯と“コン”セント」です。

 「テンコ」は、「“点”滅器と“コン”セント」です。

 なお、複線図の書き方の順番等は、テキストによって異なっています。違うときは、お使いのテキストに従ってください。

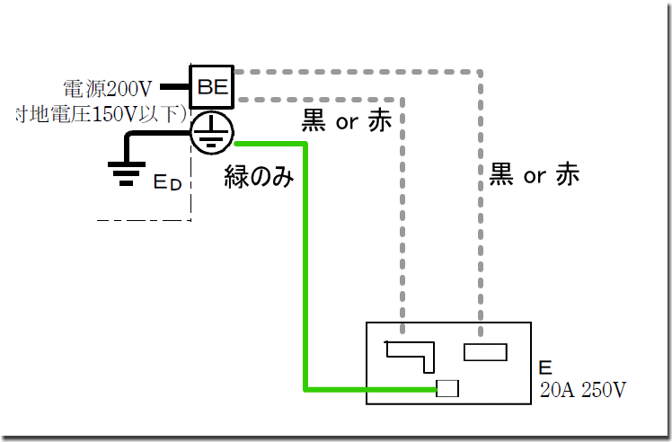
複線図 No.5‐「B(配線用遮断器)」と「BE(漏電遮断器)」と「接地端子」

 候補問題のNo.5の複線図ですが、左下部分の「BE(漏電遮断器)」と「接地端子」は、複雑な作業ではありません。

 「接地端子」、つまり、アース部分は、おなじみの「緑色」で接続します。

 残る「BE(漏電遮断器)」は、残った色で接続するだけです。

 複線図の作業的には、ほとんど問題はないので…、

 …と、ざっと書き出せばいいでしょう。

 本問での複線図のメイン作業は、「B(配線用遮断器)」のところです。

 しかし、単に、電源線とスイッチとランプレセプタクルとコンセントと電灯(施工省略)をつなげるだけです。

 “定番作業”なので、問題はないはずです。

 とはいえ、念のため、以下に、「B(配線用遮断器)」の複線図の書き方を見ていきます。

接地側‐デンコ

 次に、電源線の接地側(白)です。

 接地側は、「デンコ」なので、「電灯(負荷)」と「コンセント」をつなぎます。

 本問では、接地側の電源線に、「イ」の施工省略の電灯と、「ロ」のランプレセプタクルと、コンセントとをつなげることと相なります。

 接地側だけをつないだものが、先の画像となります。

非接地側‐テンコ

 次は、非接地側(黒)の作業です。

 非接地側は、「テンコ」なので、「点滅器(スイッチ)」と「コンセント」をつなぎます。

 スイッチもコンセントも、同じ箇所にあるので、作業はカンタンです。

 さっと、電源線から線を引いて、「渡り線」でつなげるだけです。

 「渡り線」は、念のため、複線図上に、その旨を明記しておきましょう。

 わかるとは思いますが、こうしておくと、実際の作業時に、脳の疲労が和らぎます。

 こんな次第で、非接地側だけをつなぐと、先の画像となります。

残りをつなげる

 後は、「イ」と「ロ」の点滅器と、各負荷をつなげるだけです。

 「2つ」も点滅器があるので、取り違えるおそれがあります。

 素人必須のテクニック「指差し確認」をしてから、線を引くことにしましょう。

 作業的には、問題ないかと思います。

 なお、電線の色ですが、点滅器と各負荷の接続は、白でも黒でもOKとなっています。

 しかし、本試験では、考える時間がありません。

 どの色でつなげるか、練習時で、「決めておく」ことを勧めます。

 たとえば、(イのところは、黒・黒でつなげる。ロは、白・黒にする。)とかです。

 こんな風に「決めておく」と、本試験時に、(アレレ、ここは、どうつなげたっけ?)という逡巡を、根絶することができます。

第2種電気工事士の技能試験 候補問題 複線図 書き方 No.5 まとめ

 先の画像をまとめると…、

 …となります。

 実際の作業は、「B(配線用遮断器)」のところしかないので、大丈夫かと思います。

 以上、候補問題No.5の複線図の書き方でした。

 次の候補問題へ。

 ところで、本問の「候補問題」の『解説』は、「こちら」です。

第2種電気工事士 技能 独学 補助教材

 第2種電気工事士 技能試験の独学は、ケーブル等の教材と工具、そして、テキストがあれば間に合います。

 参考:第2種電気工事士・技能試験のテキスト・教材・工具

 とはいえ、独学に「あると便利」なものが多々あります。まさに独学向けというものもあるので、参考にしてください。

 高評価だったのは、まず、「ホーザン(HOZAN) 合格配線チェッカー Z-222」です。

 利用者曰く、「回路的に正しいという自信が付く。使えない問題もあったが、最も役に立った。」とのことです。

 独学だと、候補問題を作っても、答え合わせに一苦労します。

 わたしも、受験生当時に(これで合ってるの?)と、お手本のテキストとにらめっこした記憶があります。往時にあったらとても便利だったと思います。

 独学で一抹の不安のある方は、使ってみてください。

 次は、「ホーザン(HOZAN) 合格マルチツール DK-200」です。

 多用途、時短になる、ウォータレンチプライヤの代わりにもなる、と高評価です。

 これは、独学に関係なく、有用かと思います。

 さて、独学では役には立つも、“すごくではない”というのが…、

 ・ホーザン(HOZAN) 合格クリップ P-926

 ・ホーザン(HOZAN) 合格ゲージ P-925 P-956/P-957/P-958用

 …です。

 クリップの方は、ホーザン教材に入っているもので十分とのこと。ホーザンの教材でない人は、一考するといいでしょう。

 んで、ゲージの方は、外れやすいのでアレ、使わなくなる、とのことです。用途に合いそうなら、考えてみてください。

 なお、セットのもあります。「HOZAN (ホーザン) の合格シリーズ3点セット【 DK-200 合格マルチツール 】【 P-926 合格クリップ 】【 P-925 合格ゲージ 】」です。

 独学の欠点をこれらの補助教材でカバーできます。“絶対”に必要かというとそうではありませんが、「手助け」にはなるので、万全を尽くしたい方は参考にしてみてください。

 教材にお金を惜しんではいけません。

 なお、先の補助教材の使用感・レビュー等のある方、よろしければ、「当方のTwitter」や「メール」に、ご一報願います。

 最後に、ASITAKAさん、情報提供ありがとうございました。

第2種電気工事士のこまごましたもの

 「第2種電気工事士:独学資格ガイド」でも述べていますが、2電工は圧倒的な求人数を誇る優良資格で、人生の保証・保険になる資格です。わたし個人、とって本当に損がなかったと、ひしひし感じています。何か資格でも、とお考えの方は、いの一番に2電工を推薦します。

 先述したように、文系・電気ド素人でも、試験に巨大なハンデはないので、食わず嫌いをせず、挑戦してみてください。

 第2種電気工事士に関するこまごましたことは、ブログにも投稿しています。興味のある方は、「第2種電気工事士:ブログ記事」をばご参考ください。

みんなとシェアする